Choose your country
Go to your local Sikla page and discover offers for your country or sales region:
Country



Group: 1406
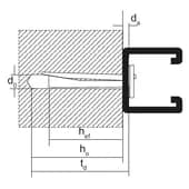
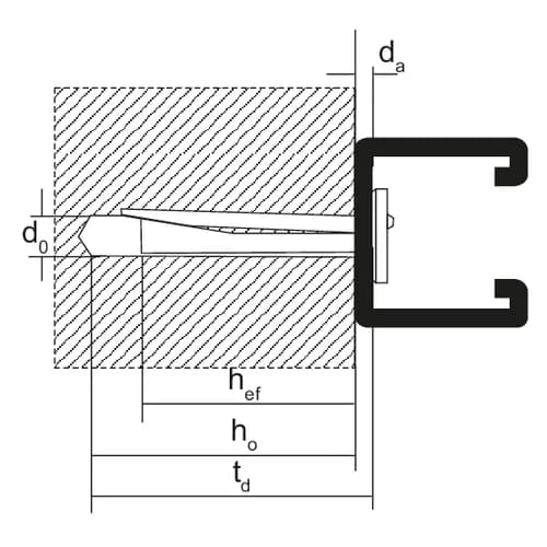
Suitable for push-through mounting in concrete walls and ceilings in dry indoor areas
Quick and safe fixation of components without much effort
Suitable for push-through mounting solutions for quick and safe fixation to concrete ceilings or walls in closed rooms - not suitable for damp locations. Easy drilling (6 mm only ) and simple impact mounting.
Certification


ETA-Approval: ETA-06/0259
Approved in the tensile zone for multiple mounting solutions to concrete exposed to mainly dead static loading.
Primary element material | steel |
Surface finish | electro galvanized (Fe//Zn) |
Corrosion protection class | C2 |
Type | Fire Resistance 30 min | Fire Resistance 60 min | Fire Resistance 90 min | Fire Resistance 120 min |
PN 27 N6X35 | 0,8 kN | 0,7 kN | 0,6 kN | 0,4 kN |
Software
This product is available in the following software.

Setting Tool PN is most suited for mounting purposes.
PDF (1.62MB)
Info | Type | Weight | Quantity | Part number | |
| PN 27 N6X35 | 0,011 kg/pcs. | 100 pcs. | 196298 | ||